

说明
VH□系列速度传感器是基于差分霍尔原理的双通道隔离速度传感器,每个输出通道为一个独立的传感器。产品广泛应用于转速测量,可根据客户要求提供单、双通道设计和多种外壳封装设计。该产品特点是:非接触测量铁磁性齿轮转速,简单可靠,免维护;宽测量范围:0Hz~20kHz,兼顾极慢运动探测与高速旋转测量;两路输出信号相位差成90°,用于方向辨别;具有各种补偿和保护措施;工作温度范围宽,可达-25℃~150℃。
技术参数
| 环境参数及使用条件 | |
| 海拔高度 | ≤2500m |
| 工作温度 | -40℃~+140℃ |
| 相对湿度 | ≤95%(该月月平均最低温度为25℃) |
| 振动冲击 | 满足GB/T 21563-2008中的3类车轴安装要求 |
| 防护等级 | 头部:IP68(5bar@1h) |
| 连接器:IP67 | |
| 耐盐雾 | 96h(GB/T 2423.17-2008) |
| 电气参数 | |
| 电源电压 | DC10V~DC30V,标称电压DC15V |
| 工作频率 | 0Hz~20kHz |
| 工作气隙 | 0.2mm~2mm,标准气隙1mm |
| 输出通道数 | 双通道隔离 |
| 输出波形 | 方波,输出波形上升和下降变化率均不小于3.5V/μs |
| 负载电阻 | ≥1kΩ |
| 高电平 | ≥0.8Ub(Ub为电源电压) |
| 低电平 | ≤1.0V |
| 占空比 | 50%±20% |
| 相位差 | 90°±30°(方向定义参见图示) |
| 空载功耗电流 | ≤30mA |
| 绝缘电阻 | ≥200MΩ@500VDC |
| 绝缘强度 | AC2500V/50Hz/60s |
| 电磁兼容性 | 符合GB/T 24338.4-2009 |
| 保护功能 | 电源极性保护、输出短路保护 |
| 机械参数 | |
| 测速齿轮模数 | 2(其他模数可根据客户需定制) |
| 有效齿轮宽度 | ≥10mm |
| 测速齿轮齿形 | 渐开线齿(符合GB/T 1356或DIN 867要求) |
| 测速齿轮材料 | 低碳导磁钢(推荐45钢或Q235) |
| 传感器壳体材料 | 铝合金 |
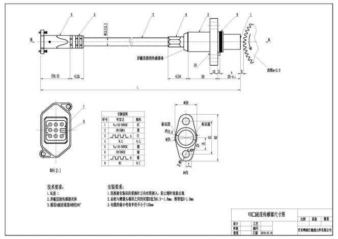
| 外形尺寸 | 参见图示,引出线长度可根据客户需求定制 |
| 电连接器参数 | |
| 连接器(选配) | 插头:客户指定(含配套插孔):插座:客户指定(配套插针) |
| 电缆参数 | |
| 电缆 | 2*(3*0.5mm2)六芯整体屏蔽电缆 |
| 工作温度 | -50℃~150℃ |
| 芯线颜色 | 红色、黑色、白色、绿色、橙色、紫色 |
| 电缆外径 | 13mm |
| 芯线截面积 | 0.5mm² |
| 防火性能 | 满足标准EN 45545-2:2013要求 |
图示速度传感器订货代码:VHD20/20-F0G114C/H




说明
VH□系列速度传感器是基于差分霍尔原理的双通道隔离速度传感器,每个输出通道为一个独立的传感器。产品广泛应用于转速测量,可根据客户要求提供单、双通道设计和多种外壳封装设计。该产品特点是:非接触测量铁磁性齿轮转速,简单可靠,免维护;宽测量范围:0Hz~20kHz,兼顾极慢运动探测与高速旋转测量;两路输出信号相位差成90°,用于方向辨别;具有各种补偿和保护措施;工作温度范围宽,可达-25℃~150℃。
技术参数
| 环境参数及使用条件 | |
| 海拔高度 | ≤2500m |
| 工作温度 | -40℃~+140℃ |
| 相对湿度 | ≤95%(该月月平均最低温度为25℃) |
| 振动冲击 | 满足GB/T 21563-2008中的3类车轴安装要求 |
| 防护等级 | 头部:IP68(5bar@1h) |
| 连接器:IP67 | |
| 耐盐雾 | 96h(GB/T 2423.17-2008) |
| 电气参数 | |
| 电源电压 | DC10V~DC30V,标称电压DC15V |
| 工作频率 | 0Hz~20kHz |
| 工作气隙 | 0.2mm~2mm,标准气隙1mm |
| 输出通道数 | 双通道隔离 |
| 输出波形 | 方波,输出波形上升和下降变化率均不小于3.5V/μs |
| 负载电阻 | ≥1kΩ |
| 高电平 | ≥0.8Ub(Ub为电源电压) |
| 低电平 | ≤1.0V |
| 占空比 | 50%±20% |
| 相位差 | 90°±30°(方向定义参见图示) |
| 空载功耗电流 | ≤30mA |
| 绝缘电阻 | ≥200MΩ@500VDC |
| 绝缘强度 | AC2500V/50Hz/60s |
| 电磁兼容性 | 符合GB/T 24338.4-2009 |
| 保护功能 | 电源极性保护、输出短路保护 |
| 机械参数 | |
| 测速齿轮模数 | 2(其他模数可根据客户需定制) |
| 有效齿轮宽度 | ≥10mm |
| 测速齿轮齿形 | 渐开线齿(符合GB/T 1356或DIN 867要求) |
| 测速齿轮材料 | 低碳导磁钢(推荐45钢或Q235) |
| 传感器壳体材料 | 铝合金 |
| 外形尺寸 | 参见图示,引出线长度可根据客户需求定制 |
| 电连接器参数 | |
| 连接器(选配) | 插头:客户指定(含配套插孔):插座:客户指定(配套插针) |
| 电缆参数 | |
| 电缆 | 2*(3*0.5mm2)六芯整体屏蔽电缆 |
| 工作温度 | -50℃~150℃ |
| 芯线颜色 | 红色、黑色、白色、绿色、橙色、紫色 |
| 电缆外径 | 13mm |
| 芯线截面积 | 0.5mm² |
| 防火性能 | 满足标准EN 45545-2:2013要求 |
图示速度传感器订货代码:VHD20/20-F0G114C/H


